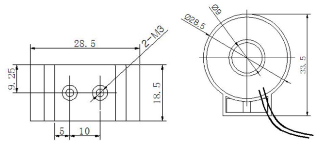
功能:
ADW350无线计量仪表主要用于计量低压网络的三相有功电能,具有体积小、精度高、功能丰富等优点,并且可选通讯方式多,可支持RS485通讯和Lora、2G、NB、4G等无线通讯方式,增加了外置互感器的电流采样模式,从而方便用户在不同场合进行 安装使用。可灵活安装于配电箱内,实现对不同区域分布式小基站进行数据监测与负载控制。
应用范围:
ADW350无线计量仪表有交流、直流之分,适用于计量低压网络用电监测、电信基站用电监测、太阳能供电计量等场合。
订货范例:
具体型号:ADW350WA-4G-T
规格:AC 3*220/380V ,AC 3*20(100)A
选配功能:4G,T(测温)


















