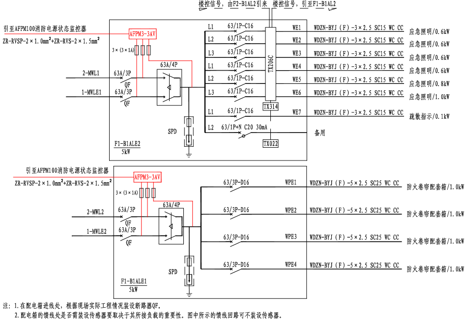
楼层应急照明、防火卷帘电源监控系统图

客服1
客服2
客服3
客服4